导航菜单
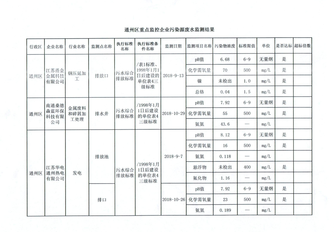
通州区重点监控企业污染源废水监测结果
来源: 区环保局
发布时间:2018-12-05 08:42
累计次数:
次
字体:[
大
中
小
]